
香蕉振动筛产品描述:
10218旭彩网
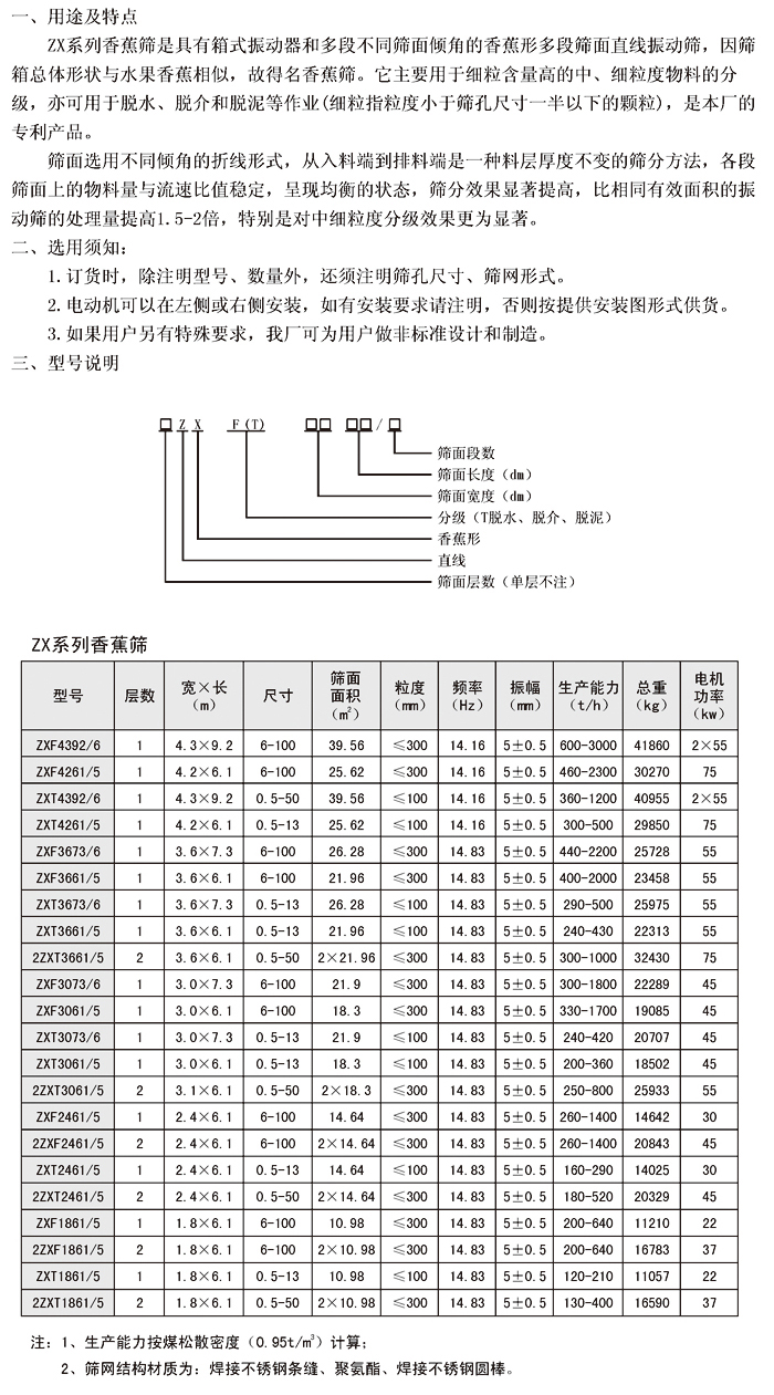
香蕉形多段工作面重型直线分级机器(简称:香蕉型直线振动筛)是具有箱式振动器和多段不同倾角筛面的直线振动分级,主机箱的形状与香蕉相似。主要用于细粒含量高的大、中粒物料的粒度分级,亦可用于脱水、脱介和脱泥等作业。(细粒指粒度小子筛孔尺寸一半以下的颗粒)

10218旭彩网
香蕉型直线振动筛是在直线分级机基础上注入香蕉形多段工作面的专利技术设计而成的。在入料端有一较大的斜坡筛面,随后紧接着以一定数目的角度逐级下降,直到出料口为止,整体筛面呈凹弧形。入料端的斜坡筛面可使更多的物料通过筛面时有较高的筛分速度和较薄的物料分层。因为大块物料较快地穿过陡坡,这种较早地分层使细的颗粒更快的靠近筛面,能相对不受阻碍地通过缝隙,所以,香蕉筛具有极高的筛分效率和高于传统分级筛1.5-2倍处理量的特点。(执行中华人民共和国机械行业标准“JB/T 10460—2004”)
10218旭彩网 注:1、生产能力按煤松散密度(0.95t/m3)计算;
10218旭彩网 2、筛网结构材质为:焊接不锈钢条缝;聚氨酯;焊接不锈钢圆棒;冲孔;弹性转杆;重型棒条。
河南鹏威机械设备有限公司专业生产各种通用设备,振动设备商家
订购网址请登录河南鹏威机械有限公司官方网站:netmop.com 24小时服务热线:13353676726