水泥埋刮板输送机
当前位置: 河南奥创机械设备有限公司 > 新闻中心 > 设备图纸 > 正文水泥埋刮板输送机
作者 奥创机械
来源 奥创机械
浏览
发布时间 18/05/10
埋刮板输送机 埋刮板输送机系列产品广泛适用于冶金、建材、电力、化工、水泥、港口、码头、煤炭、矿山、粮油、食品、饲料、等行业和部门。
埋刮板输送机参数:
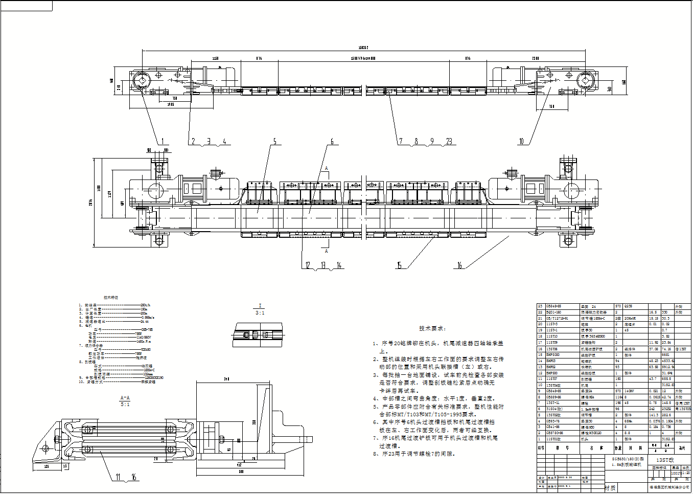
埋刮板输送机图纸:
了解更多有关水泥埋刮板输送机的信息收藏我们的信息:netmop.com 联系人:杜谦 15537338466 |
- 滚轴筛
- 三次元旋振筛
- 等厚振动筛分机
- DZSF型直线振动筛
- YK型圆振动筛
- YA型圆振动筛
- 滚筒筛分机
- 电磁高频振动筛
- GPS系列高频振动筛
- 多层叠式高频振动筛
- OctagonD200进口实验筛分机
- EFL 2000系列重型实验筛分机
- 斗式提升机
- D型斗式提升机
- 高效斗式提升机
- 环链斗式提升机
- 板链斗式提升机
- 皮带斗式提升机
- 钢丝胶带斗式提升机
- 中央链斗式提升机
- GX、LS系列螺旋输送机
- 移动型斗式提升机
- T系列脱水斗式提升机
- 槽式无轴螺旋输送机
- NE型斗式提升机链条
- U型-T型刮板链条
- FU板式输送机
- DY移动式皮带输送机
- 板链式喂料机
- MS型埋刮板输送机
- WB系列板链式喂料机
- DJ型大倾角皮带机
- FU系列链板输送机
- 新型熟料刮板输送机
- 链条生产线输送机
- 长城网带输送机
- 液升降补仓机
- 斗轮取料机-斗轮堆取料机
- 自动计量斗-提升机
- 计量料斗
- 移动式翼轮扒谷机
- 螺旋式除尘装包机
- 流筛
- 移动式比重风选筛
- 复合型振动清理筛
- 移动式高除杂复合圆筒清粮机
- SCY移动式圆筒清粮机
- SCY2200型圆筒清粮机

斗式提升机-河南丰泉机械有限公司
地 址:新乡市大块镇陈堡工业区
电 话:0373-2678878
传 真:0373-2678799
联系人:杜经理
手 机:15537338466
邮 箱:15537338466@163.com
网 址:netmop.com
邮 编:453000








