
直线筛产品简介:
直线筛(直线振动筛)利用振动电机激振作为振动源,使物料在筛网上被抛起,同时向前作直线运动,物料从给料机均匀地进入筛分机的进料口,通过多层筛网产生数种规格的筛上物、筛下物、分别从各自的出口排出。具有耗能低、产量高、结构简单、易维修、全封闭结构,无粉尘溢散,自动排料,更适合于流水线作业。直线振动筛是以我公司专利产品----弹联激振器为振动源的新型直线振动筛,主要应用于矿山、冶金、煤炭、火电、耐火、建材、电力、化工等行业的物料分级。
工作原理使用范围:
振动筛工作时,两电机同步反向旋转使激振器产生反向激振力,迫使筛体带动筛网做纵向运动,使其上的物料受激振力而周期性向前抛出一个射程,从而完成物料筛分作业.
直线振动筛是双振动电机驱动。当两台振动电机做同步、反缶旋转时,其偏心块所产生的激振力在平行于电机轴线的方向相互抵消,在垂直于电机轴的方向叠为一合力,因此筛机的运动轨迹为一直线。两电机轴相对筛面有一倾角,在激振力和物料自重力的合力作用下,物料在筛面上被抛起跳跃式向前作直线运动,从而达到对物料进行筛选和分级的目的。适用于粒度在0.074-5mm、含水量小于70%、无粘性的各种干式粉状物料的筛分。最大给料粒度不大于10mm。
DZSF直线振动筛主要特点及适于行业:
筛分精度高、处理量大、结构简单、耗能少、噪音低、筛网使用寿命长、密封性好、极少粉尘溢散、维修方便、可用于流水线生产中的自动化作业。
广泛应用于化工、食品、塑料、医药、冶金、玻璃、建材、粮食、化肥、磨料、陶瓷等行业中干式粉状或颗粒状物料的筛分。
使用范围
对粉状、颗粒状物料的筛选和分级,广泛应用于煤炭、水电、矿山、建材、化工、塑料、磨料、医药、粮食、炭素、化肥等行业。
技术特点和优势:
技术特点和优势
筛体侧板采用优质钢板组合而成,侧板与横梁。
筛机结构简单,维修方便快捷。
筛网结构多样,有棒条筛板,聚氨酯方孔和聚氨酯编织,锰钢丝编织。
按层数可以设计为三层、双层或单层。
激振器采用座式激振器或侧振法兰式激振器,激振器的润滑采用脂润滑或稀油润滑。
激振器底座采用高强螺栓连接,结构合理,坚固耐用。
整机具有处理量大、噪音低、筛网更换方便、维护简单等特点。
电机不参振,能有效的延长电机的使用寿命。
该产品采用橡胶弹簧支撑并隔振。
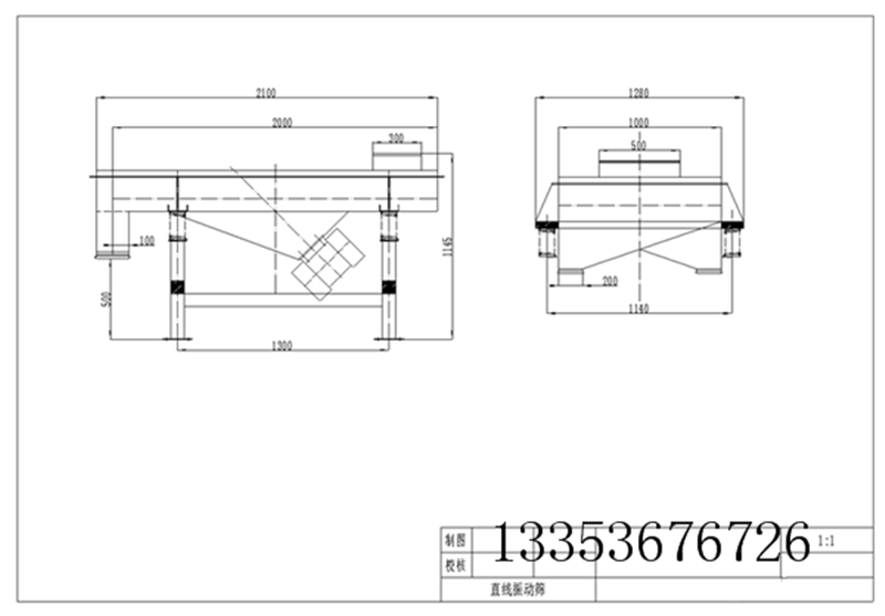
直线筛结构图:
DZSF直线筛参数表:

使用说明书特点
1、独特之筛网结构设计,方便和快速更换筛网,此外此种设计允许使用各种筛网 。4、其母网完全支撑细网,因此细网可独得较长之寿命,而降低细网耗材使用,淤长时间 之生产过程可降低诸多成本。
河南奥创机械设备结构图纸、价格计算,欢迎实地考察!
订购网址请登录河南奥创机械有限公司官方网站:netmop.com 24小时服务热线:13353676726